Perfil U de Aço – Gerdau

Categoria: Tags: , , , , , , , , , , , , , , , , , , , , , , , , , , , , , , , , , , , , , , , , , , , , , , , , , , , , , , , , , , , , , , , , , , , , , , , , , , , , , , , , , , , , , , , , , , , , , ,

Descrição

    1. DIFERENCIAL PARA ESPECIFICAÇÃO:

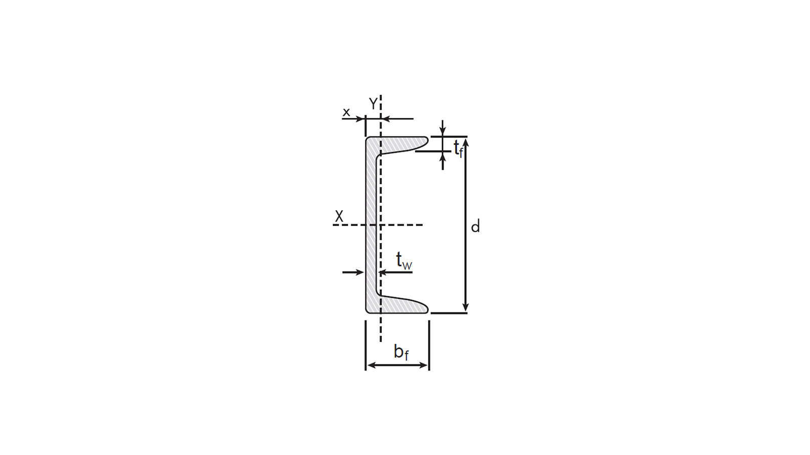
    O diferencial do Perfil U de Aço Gerdau reside em sua alta inércia e resistência geométrica, proporcionadas pelas abas inclinadas, o que otimiza seu uso em projetos estruturais. Como uma peça única, o produto oferece uma solução versátil para diversas aplicações que demandam maior firmeza e robustez, garantindo não apenas eficiência estrutural, mas também facilidade no processo de projeto e construção.

    1. DICAS PRO PROJETO:
    • É um aço versátil que pode ser aplicado em diferentes tipos de obras.
    • Considerar as soluções de ligações possíveis para este perfil
    1. COMPLEMENTOS PARA O ESPECIFICADOR:

    ABNT NBR 8800 Projetos de estruturas de aço e de estruturas mistas de aço e concreto para edifícios

    NBR 14762 Dimensionamento de estruturas de aço constituídas por perfis formados a frio

    NBR 15980 Perfis laminados de aço para uso estrutural — Dimensões e tolerâncias

  1. ABNT NBR 7007 – Aços-carbono

Baixar famílias gratuitas de Perfis U no Revit ficou mais fácil com a Gerdau!

Avaliações

Não há avaliações ainda.

Seja o primeiro a avaliar “Perfil U de Aço – Gerdau”